SD23P202

工作电压

2.4~3.6V

2.4~3.6V

工作电流

1.2mA

1.2mA

ROM

16k Bytes OTP

16k Bytes OTP

SRAM

512 Bytes

512 Bytes

封装

QFN40

QFN40
芯片描述

   本芯片是带24位ADC的SOC产品,程序存储器为16k Bytes OTP,超低功耗设计,使用内部RC振荡器的4分频工作,3V工作电压下,典型应用时的工作电流只有1.5mA

   外围资源丰富:RTCUART,可选的多种稳压电源输出,灵活设置的PGIA模块,升压模块,带有CAPTURE功能的TIMERPWMPFD输出模块,LCD驱动等。

   本产品带16k Bytes OTP,可以低压自烧录,烧录电压范围:2.4~3.6V,可以替代EERPOM使用。

   MCU提供三种工作模式让用户可以在工作效率和能量消耗方面得到最佳选择,三种模式是:正常工作模式、待机模式、休眠模式。




芯片特点
  • 高精度ADC,ENOB = 21.0bits@8sps, 4个差分通道或8个单端通道

  • 低噪声高输入阻抗前置放大器,1、4、8、16、32、64、128、256倍增益可选

  • 内置1路OPA

  • 内置基准,温漂小于50ppm

  • 8位RISC超低功耗MCU,49条指令,6级堆栈,在2MHz工作时钟,MCU部分在3V 工作电压下电流典型值为400μA; 32kHz时钟待机模式下工作电流1.5μA,休眠模 式电流小于1μA

  • 16k Bytes OTP程序存储器,512 Bytes SRAM 数据存储器

  • 低压烧录功能,可以替代外部EEPROM

  • 灵活的电池检测功能,检测范围2.0~3.3V

  • RTC模块,可以计算年、月、星期、日、时、分、秒,可以自动进行闰年计算

  • 丰富的外围资源:UART,PWM,PDM,PFD,CAPTURE,TIMER

  • 最大18SEG×4COM、17SEG×5COM、16SEG×6COM、14SEG×8COM液晶驱动 电路,超低功耗和大驱动能力设计;内含程控升压模块,可以在低压条件下维持高 亮显示,支持灰度调节

  • 8bits DAC

  • 所有I/O带施密特触发输入及选择上拉电阻

  • 掉电检测电路和上电复位电路

  • 工作电压范围:2.4~3.6V

  • 工作温度范围:-40~125℃

  • 内部8MHz与32kHz RC振荡器

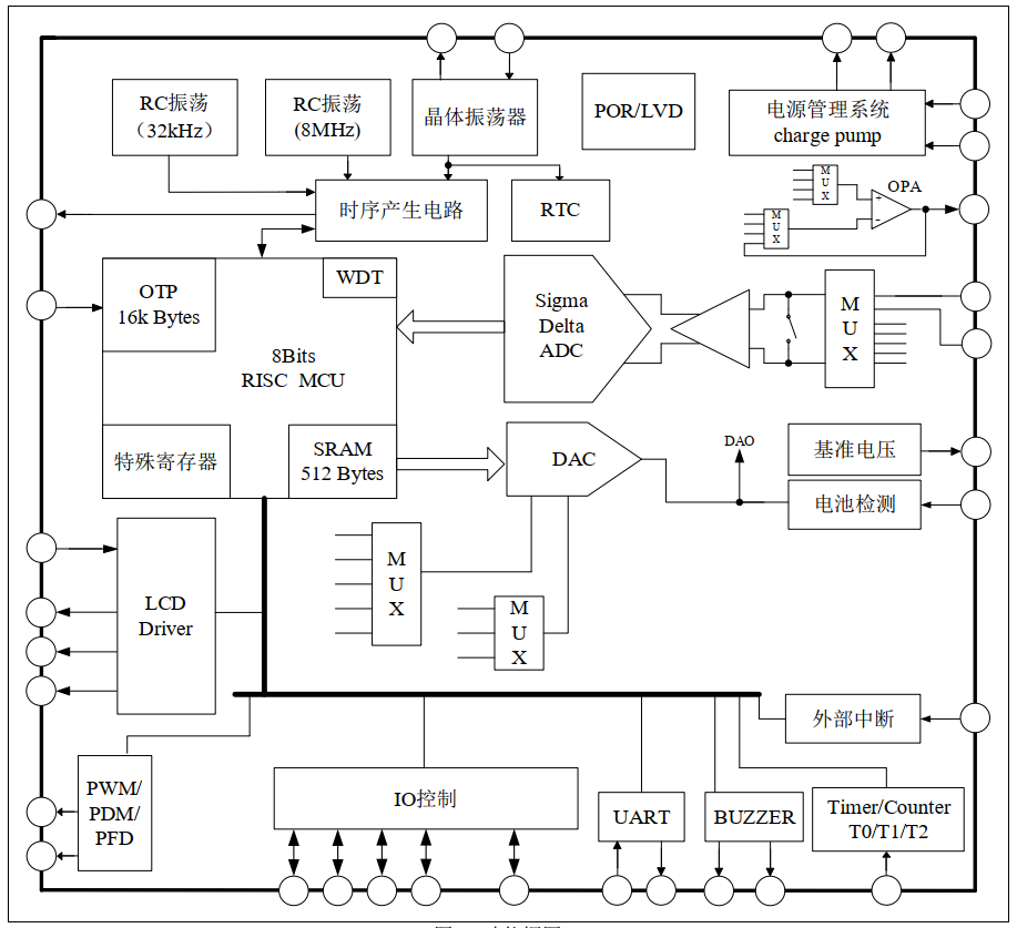
芯片框图
应用领域

流量计

温度变送器

产品搜索

样片申请
及购买




请填写真实有效的邮箱地址!