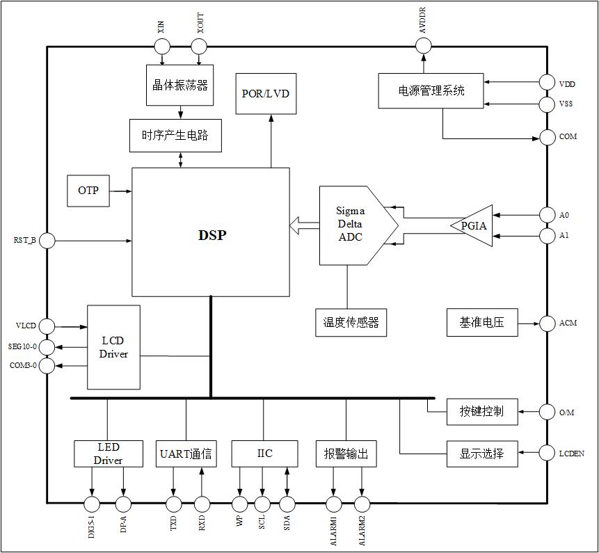
芯片描述
SD7501T4为4~20mA无源表芯片,内含高精度低噪声模/数转换器(SDADC),最高可使测量达到9999计数的稳定读数,3~25mA量程综合精度可达0.01% F.S(偏差<2个字)。对环路阻抗影响小,压降低,先进的校准算法与温度补偿算法,满足多种应用场景的需求。
芯片特点
显示范围:-1999~9999
转换速率:3次/秒
工作电压:2.4~3.6V
产品压降:≤3.3V
环路阻抗:≤5R
工作电流:<2mA
测量精度:0.01% F.S±1个字
功能按键:O、M
显示方式:LCD/LED,带8个不同的物理单位
参考电压:1.2V,50ppm/℃
校准方式:程控两点校准
报警输出:2路隔离式开关量报警输出
通信方式:支持UART通信输出
存储方式:EEPROM
温度检测:具有内部温度传感器,可对测量结果进行温度补偿
相关推荐产品
智能健康衡器
医疗电子
工业控制及仪表
智能家电