SD6505

Operating Voltage

2.4~3.6V

2.4~3.6V

Operating Current

1.5mA

1.5mA

ADC ENOB

19.3bits@8sps
Gain = 128

19.3bits@8sps
Gain = 128

Peripherals

DAC

DAC

Package

SSOP24

SSOP24
IC Introduction

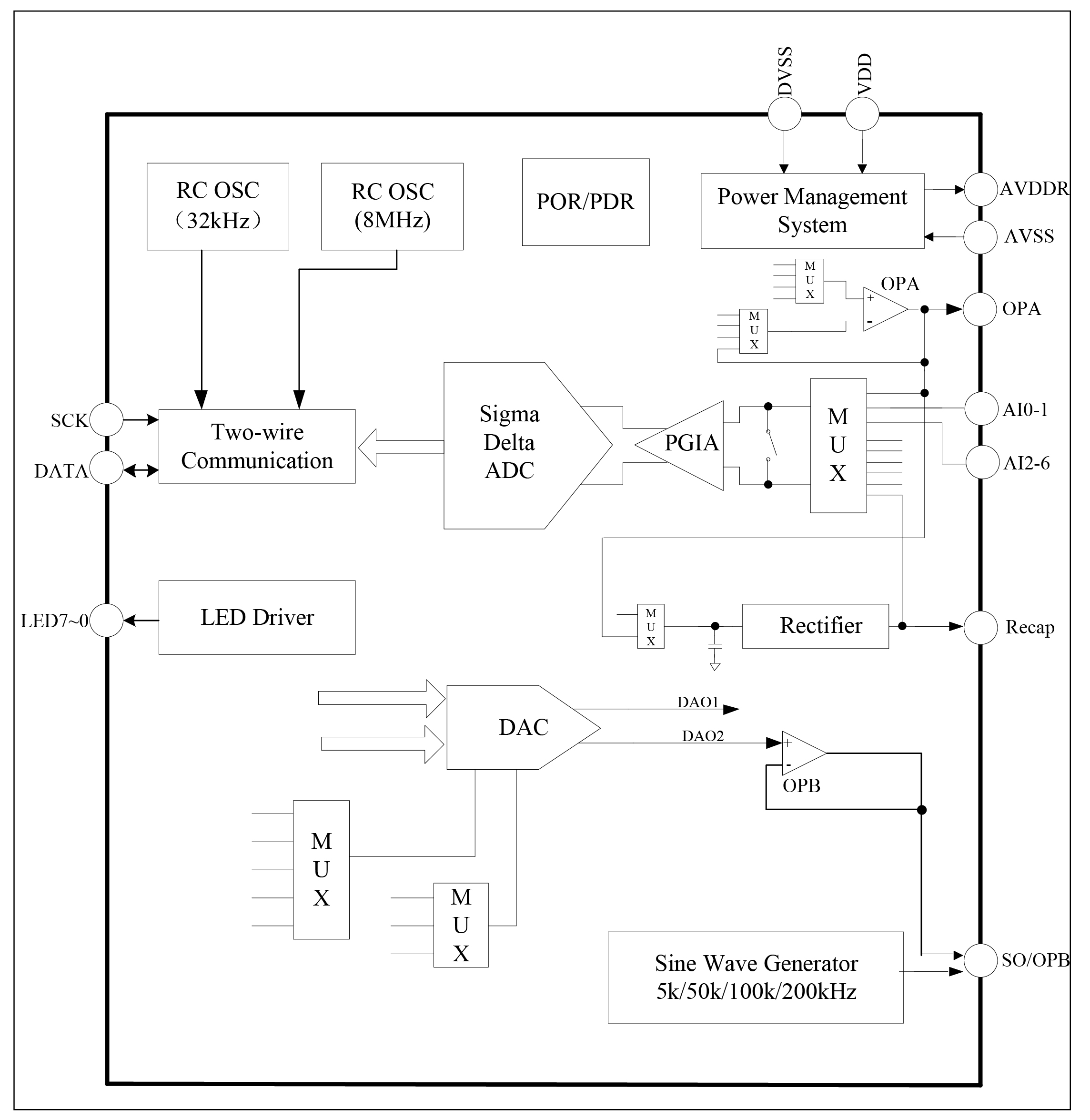
        SD6505 has built-in 24 bits ADC, LED driver, and two-wire communication circuits.
        The LED driver circuit can drive up to 56 common cathode LEDs with a maximum drive current of 14 mA, which ensures sufficient brightness from white LEDs.
        A host computer can read and edit all the registers in the IC through the two-wire communication circuit.
        The IC supports timing measurement comparison mode. After entering this mode, host is turned on after successful data comparison. The host can also 
turn on the IC independently.

        The IC has built-in sine wave generator, temperature sensor, 8 bits DAC, etc., to meet the requirements of various applications.

IC Features
  • High precision ADC, ENOB=19.3 bits@8sps, 4 differential or 8 single- ended inputs

  • Low noise, high input impedance preamplifier with selectable gain:1, 4, 8, 16, 32, 64, 128, or 256

  • Internal 8MHz and 32kHz RC oscillator

  • Two-wire communication interface, maximum speed at 1.1MHz

  • Built-in LED driver, provide 8 LED drive ports, maximum drive current 14mA, drive up to 56 common cathode LEDs, optional drive waveform duty cycle

  • Built-in sine wave generator and rectifier circuit, frequency selectable at 5kHz, 50kHz, 100kHz, or 200kHz, support four electrodes body fat measuring function

  • Built-in 8 bits DAC, supports two outputs

  • Built-in temperature sensor, support single point calibration

  • Hardware timing comparison measurement function

  • Flexible battery voltage detection: 2.0~3.3V

  • Built-in sensor excitation output, output voltage options: 2.4V, 2.7V, 3.0V and 3.3V

  • Low voltage detection and power on reset circuit

  • Operating voltage range: 2.4~3.6V

  • Operating temperature range: -40~85℃

IC Block Diagram
Application area

Cash Register Scale

Four Electrodes AC Health Scale

Related Products Recommendation

Product Series

Sample Requests
and Purchase

Product
Directory

Please fill in a real and valid email address!